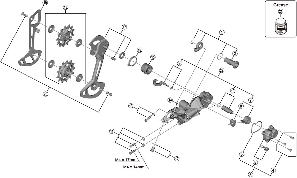
Ersatzteil Shimano XTR RD-M9120
Im Lieferumfang Nr 8 der Explosionszeichnung.
Shimano XTR RD-M9120 Schaltwerk Ersatzteile:
- Nr 1 : Y3FA98010 – Achseinheit fuer Schaltwerk-Halter
- Nr 2 : Y3FA42000 – Achse fuer Schaltwerk-Halter
- Nr 3 : Y3FB98010 – Gehaeuseabdeckung komplett
- Nr 4 : Y5Y198070 – Schrauben fuer Gehaeuseabdeckung
- Nr 5 : Y3FB98020 – Gehaeuseabdeckung + Kappe
- Nr 6 : Y5PV25000 – Dichtring fuer Gehaeuseabdeckung
- Nr 7 : Y3GF98040 – Stabilisator-Einheit
- Nr 8 : Y3E498040 – Nocken-Einheit
- Nr 9 : Y3FB98030 – Schalthebel-Einheit
- Nr 10 : Y5PV98060 – Schaltachs-Einheit
- Nr 11 : Y3FB98040 – Anschlagschrauben komplett
- Nr 12 : Y5PV98080 – Schaltzug-Klemmschraube komplett
- Nr 13 : Y5PV98070 – Einstellschraube komplett fuer Spannfeder
- Nr 14 : Y5PV48000 – Nase fuer Schaltzug-Klemmschraube
- Nr 15 : Y5PV17000 – Spannfeder
- Nr 16 : Y5PV24000 – Dichtring fuer Spannfeder
- Nr 17 : Y3FB98050 – Kettenleitblech SGS aussen komplett
- Nr 18 : Y3FA98090 – Schaltrollen Satz
- Nr 19 : Y3FA26000 – Kettenleitblech SGS innen
- Nr 20 : Y5XX98130 – Schaltrollenschrauben
- Nr 21 : Y04121000 – Spezialfett fuer Stabilisator
- Nr 22 : Y3FB98060 – Stabilisator-Kit-Einheit






Rezensionen
Es gibt noch keine Rezensionen.